當前位置: 滾珠絲桿網 ? 1605滾珠絲杠 ? SFI1605滾珠絲桿
SFI1605滾珠絲桿
雷研精密傳動設備有限公司供應SFI1605滾珠絲桿【貨源充足、價格合理、原裝正品、品牌齊全】請需要SFI1605絲杠的朋友聯系:黃志杰(經理)? 聯系電話:15802034588。
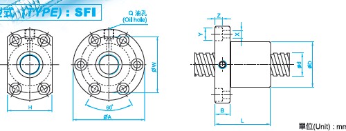
SFI1605滾珠絲杠參數
型號:SFI1605
絲桿外徑:16
導程:5
珠徑:3.175
螺母外徑:30
法蘭直徑:49
法蘭的厚度:10
螺母的長度:50
安裝孔之間的距離:39
法蘭的寬度:34
珠圈數:1×4
動額定負荷:1380
靜額定負荷:3052
剛性:33。
圖紙下載:SFI1605滾珠絲桿圖紙PDF
【減少SFI1605滾珠絲桿各運動零件的慣量】
進給系統每個零件的慣量對進給系統的啟動、制動特性等都有直接的影響,尤其是高速運轉的零件,慣量對其影響更大。在滿足傳動強度和剛度的前提下,應盡可能使各零件的結構配置合理,減少它們的慣量。
瀏覽SFI1605滾珠絲桿的用戶還會?
DFI1605滾珠絲杠、SCI1605滾珠絲桿等。
滾珠絲杠討論①群263545937(專家在線為你解答)歡迎你的加入!
版權所有 © 轉載時必須以鏈接形式注明作者和原始出處!


