當前位置: 滾珠絲桿網 ? 2505滾珠絲杠 ? SFI2505滾珠絲桿
SFI2505滾珠絲桿
雷研精密傳動設備有限公司供應SFI2505滾珠絲桿【貨源充足、價格合理、原裝正品、品牌齊全】請需要SFI2505絲杠的朋友聯系:黃志杰(經理)? 聯系電話:15802034588。
?
SFI2505滾珠絲杠參數
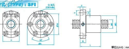
型號:SFI2505
絲桿外徑:25
導程:5
珠徑:3.175
螺母外徑:40
法蘭直徑:63
法蘭的厚度:11
螺母的長度:51
安裝孔之間的距離:51
法蘭的寬度:46
珠圈數:1×4
動額定負荷:1724
靜額定負荷:4904
剛性:45。
【滾珠絲杠螺母副】
??? 為了提高進給系統的靈敏度、定位精度和防止爬行,必須降低數控機床進給系統的摩擦并減少靜、動摩擦系數之差。因此,行程不太長的直線運動機構常用滾珠絲杠螺母副。它是直線運動與回轉運動相互轉換的新型傳動裝置。它可以消除反向間隙并施加預載,有助于提高定位精度和剛度。
瀏覽SFI2505滾珠絲桿的用戶還會?
DFU2505滾珠絲杠、SCI2505滾珠絲桿等。
滾珠絲杠討論①群263545937(專家在線為你解答)歡迎你的加入!
版權所有 © 轉載時必須以鏈接形式注明作者和原始出處!


